5G»ù½¨´ßÉúÅÓ´óµçÔ´ÐèÇó£¬ÇÒ¿´ÐÂÆÏÌÑ8883¹ÙÍøAMGµÄÓ¦¶ÔÖ®²ß
£¼Î§ÈÆ5G»ù½¨µÄÊг¡¶¯Ïò£¾
µ±Ï£¬Õý´¦ÓÚ4GºÍ5GµÄ½»½ÓÆÚ£¬»ùÕ¾µÄ½¨Éè¸ñÍâÒýÈ˹Ø×¢¡£4Gʱ´ú£¬ÖйúÈý´óÔËÓªÉ̵ÄÔËӪƵ¶ÎÖ÷Òª¼¯ÖÐÔÚ900MHzºÍ1.8GHz£¬¶øÊÒÍâ5GµÄƵÆ×¼Æ»®Îª3.4~3.6GHzºÍ4.8~4.9GHz¡£Æ¾¾ÝË¥¼õ¹«Ê½£¬ÆµÂÊÔ½´óË¥¼õÔ½¿ì¡£ÕÕ´ËÔ¤¼Æ£¬ÖйúÈý´óÔËÓªÉÌ×îÖÕ½¨ÉèµÄ5G»ùÕ¾ÊýÁ¿½«ÊÇ4Gʱ´úµÄÊý±¶¡£×ÝȻΪÁ˾¼ÃÐ§Òæ×î´ó»¯£¬Èý´óÔËÓªÉÌÑ¡Ôñ4G+5GµÄ»ìÏýÐźÅÁýÕÖ·½·¨£¬ÐÂÔöµÄ5G»ùÕ¾ÊýÁ¿Ò²½«µÖ´ïÊý°ÙÍò¡£
´Ó½á¹¹¶øÑÔ£¬5G»ùÕ¾ºÍ4G»ùÕ¾²¢Ã»Óвî±ð£¬¶¼ÊÇBBUÉ豸¡¢RRUÉ豸ºÍÌìÏß¡£ÆäÖУ¬BBUÉ豸ÂôÁ¦»ù´øÊý×ÖÐźŴ¦Àí£¬RRUÉ豸ÂôÁ¦ÐźÅÊýģת»»¡¢µ÷ÖÆºÍPA·Å´ó£¬ÌìÏßÂôÁ¦Ðźŷ¢Éä¡£²»¹ý£¬ÓÉÓÚ5GµÄ½¹µã×éÍøºÍ4GÍêÈ«²î±ð£¬Òò´Ë4G»ùÕ¾¹ØÓÚ5GÍøÂ罨ÉèµÄ×ÊÖú¿ÉÒÔ˵ÊÇ΢ºõÆä΢£¬±ØÐëÒªÖØ½¨¡£Òò´Ë£¬ÖйúÈý´óÔËÓªÉÌÑ¡ÔñSA(¶ÀÁ¢×éÍø)Ò²ÊÇÃ÷ÖÇÖ®¾Ù¡£
ÔÚ5G»ùÕ¾ÖØ½¨ºÍн¨µÄÀú³ÌÖУ¬¸Ä±äµÄ²»µ«½öÊÇÌìÏß¡¢BBUÉ豸ºÍRRUÉ豸£¬ÅäÌ××ÊÔ´Ò²ÐèÒª¸üС£ÕâÆäÖУ¬µçÔ´»»ÐÂÊǺÜÖØÒªµÄÒ»²½£¬°üÀ¨»ùÕ¾µçÔ´ºÍ¹©µçµçÔ´¡£5G»ùÕ¾¹©µçϵͳÖ÷Òª°üÀ¨UPS£¨Uninterruptable Power System£¬²»¼ä¶ÏµçÔ´£©ºÍHVDC£¨High-Voltage Direct Current£¬¸ßѹֱÁ÷£©¡£UPSÐèÒª¶ÔÔÓÐ4G»ùÕ¾½øÐÐÀ©ÈÝ£¬HVDCÔòÐèҪн¨¡£
Ëæ×Å5GÐźÅÖð½¥´ó¹æÄ£ÁýÕÖ£¬´ó×Ú5G»ùÕ¾µÄн¨ÓëÖØ½¨ÒÔ¼°4G»ùÕ¾µÄÀ©ÈÝÒѾÖ𲽿ª¹¤£¬ÕâÊÆ±Ø»áΪµçÔ´Êг¡´øÀ´ÐµÄʱ»ú£¬¶Ôï®µç³Ø¡¢»ú·¿Î¿ØÉ豸¡¢»ù´¡Ôª¼þµÄÐèÇó¶¼½«¼¤Ôö¡£
ͬʱ£¬²î±ðµÄ¹©µç·½·¨Ò²¶Ô»ù´¡ÔªÆ÷¼þÌá³öÁ˲î±ðµÄÌôÕ½¡£¹ØÓÚ»ùÕ¾µçÔ´ºÍUPS¶øÑÔ£¬ÒªÇóÔªÆ÷¼þ¾ßÓиü¸ßµÄ¿É¿¿ÐÔ¡¢±£»¤ÐԺͿÉά»¤ÐÔ;¹ØÓÚHVDC¶øÑÔ£¬ÔªÆ÷¼þÐèÒªÄܹ»ÃÉÊܸßѹÌõ¼þ£¬Í¬Ê±Ò²ÒªÇкÏHVDC¹©µçµÄ¸ßЧÂʺ͵ÍÔËÓª±¾Ç®¡£
×÷ΪȫÇòÖªÃû°ëµ¼Ìå³§ÉÌ£¬ÐÂÆÏÌÑ8883¹ÙÍøAMG£¨ROHM£©Õë¶ÔÎÞÏß»ùÕ¾ÍÆ³öÁ˶à¿î½â¾ö¼Æ»®£¬°üÀ¨SiC¹¦ÂÊÔªÆ÷¼þ¡¢MOSFETºÍDC/DCת»»Æ÷µÈ£¬ÖúÁ¦µçÐÅÔËÓªÉ̼°É豸Éú²úÉ̸üºÃµØÍê³É4Gµ½5GµÄƽÎÈÉý¼¶¡£
ÐÂÆÏÌÑ8883¹ÙÍøAMGÃæÏò»ùÕ¾µÄ½â¾ö¼Æ»®Ê¾Òâͼ
±¾ÎĽ«½éÉÜÔÚÃæÏò»ùÕ¾µÄÉÏÊö½â¾ö¼Æ»®ÖеÄÖØµã²úÆ·¡£
£¼Õë¶ÔUPS¹©µçµÄµçÔ´IC£¾
ÐÂÆÏÌÑ8883¹ÙÍøAMGÕë¶ÔUPS¹©µç·½·¨(¢Ù)£¬ÌṩÍâÖÃFETµÄÉý½µÑ¹¿ª¹Ø¿ØÖÆÆ÷¡°BD9035AEFV-C¡±¡¢1chͬ²½½µÑ¹ÐÍDC/DCת»»Æ÷¡°BD9B304QWZ¡±ÒÔ¼°¡°BD9F800MUX¡±¡£
Ê×ÏÈ£¬Éý½µÑ¹¿ª¹Ø¿ØÖÆÆ÷¡°BD9035AEFV-C¡±µÄÖ÷ÒªÌØÐÔÈçÏ£º
?Éý½µÑ¹×Ô¶¯¿ØÖÆ
?¸ß¾«¶È¿ª¹ØÆµÂÊ£º¡À7£¥£¨Ta = -40~+125¡æ£©
?PLLͬ²½ÆµÂÊ£º100k~600kHz
?½ÓÄɵ¥¸öÍâÖõç×èµÄË«¸Ü¸Ë¹ýÁ÷±£»¤
?´îÔØUVP¡¢OVP¡¢UVLO¡¢TSD±£»¤¹¦Ð§
?ºã¶¨Êä³ö¼àÊÓÆ÷Òý½Å£¨PGOOD£©
?ÇкÏAEC-Q100
BD9035AEFV-CµÄÊäÈëµçѹ¹æÄ£Îª3.8V~30V£¬¿ª¹ØÆµÂÊÔÚ100kHz~600kHz£¬Äܹ»ÔÚ-40¡æ~+125¡æÊÂÇéζȹæÄ£ÄÚÎȶ¨ÔËת¡£ÕâЩÓÅÖÊÌØÐÔÈÃÆä²»µ«Äܹ»ÓÃÓÚ»ùÕ¾½¨É裬»¹Äܹ»Ó¦ÓÃÓÚÆû³µÉ豸¡¢¹¤ÒµÉ豸ºÍÆäËûµç×ÓÉ豸¡£
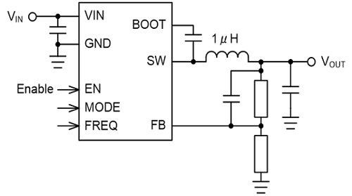
BD9035AEFV-CÓ¦Óõç·
Æä´Î£¬1chͬ²½ÕûÁ÷½µÑ¹×ª»»Æ÷¡°BD9F800MUX¡±µÄÖ÷ÒªÌØµãÈçÏ£º
?ÄÚÖõ͵¼Í¨×迹¹¦ÂÊMOSFETµÄ1chͬ²½½µÑ¹×ª»»Æ÷
?µ¼Í¨Ê±¼äºã¶¨µÄ¿ØÖÆ·½·¨¿ÉÌṩ¿ìËÙµÄ˲̬ÏìÓ¦£¬ÎÞÐèÍⲿÅâ³¥»ØÂ·
?¿íÊäÈëµçѹ¹æÄ££º4.5V~28V
?ºÜÊÇÊÊÓÃÓÚ12VϵͳµçÔ´
?¾ø¶Ô×î´ó¶î¶¨µçÔ´µçѹ£º30V£¨VIN£©
?´îÔØ¹ýÁ÷±£»¤¡¢¶Ì·±£»¤¡¢¹ýα£»¤¡¢Ç·Ñ¹±£»¤µÈÍêÉÆµÄ±£»¤µç·
BD9F800MUXÊäÈëµçѹ¹æÄ£Îª4.5V~28V£¬¿ª¹ØÆµÂÊÔÚ300kHz»ò600kHz£¬×î´óÊä³öµçÁ÷Ϊ8.0A£¬·â×°³ß´çΪ3.5mm¡Á3.5mm¡Á0.6mm¡£ÔÚ»ùÕ¾½¨Éè·½Ãæ£¬¿ÉÓÃÓÚDSP¡¢FPGA¡¢Î¢´¦ÀíÆ÷µÈµÄ½µÑ¹µçÔ´¡£±ðµÄ£¬Ò²¿ÉÓÃÓÚÒº¾§µçÊÓ¡¢DVD /À¶¹â²¥·ÅÆ÷¡¢Â¼Ïñ»ú¡¢»ú¶¥ºÐµÈÏû·Ñµç×ÓÉ豸¡£
BD9F800MUXÓ¦Óõç·
µÚÈý£¬1chͬ²½ÕûÁ÷½µÑ¹DC/DCת»»Æ÷BD9B304QWZµÄÖ÷ÒªÌØµãÈçÏ£º
?ÄÚÖõ͵¼Í¨×迹¹¦ÂÊMOSFET
?ÊäÈëµçѹ¹æÄ££º2.7 V~5.5V
?Êä³öµçѹ¹æÄ££º0.8V~VIN ¡Á 0.8V
?²Î¿¼µçѹ£º0.8V¡À1.0£¥
?¿ª¹ØÆµÂÊ£º1MHz/2MHz
?Êä³öµçÁ÷£º3A
BD9B304QWZµÄÖ÷ÒªÓŵãÊÇͨ¹ý¸ßЧÂÊʵÏֵ͹¦ºÄÊÂÇé¡£Deep-SLLM¿ØÖÆ(Éý¼¶°æµÍ¸ººÉ¸ßЧÂÊģʽ)¿ÉʵÏÖ80%ÒÔÉϵÄЧÂÊ¡£Í¬Ê±£¬BD9B304QWZÊÇÄÚÖÃMOSFETµÄͬ²½ÕûÁ÷Æ÷£¬ÎÞÐèÍⲿFETºÍ¶þ¼«¹Ü£¬½ÚʡװÖÿռ䣬ʵÏÖÁ˵ͱ¾Ç®¡£
»ùÓÚÉÏÊö¸÷×ÔµÄÓŵ㣬BD9B304QWZºÍBD9F800MUXËäÈ»ÌØÐÔ¸÷²»Ïàͬ£¬¿ÉÊÇÓ¦ÓùæÄ£»ùÄÚĻͬ£¬¿ÉÓÃÓÚ»ùÕ¾½¨ÉèÖÐDSP¡¢FPGA¡¢Î¢´¦ÀíÆ÷µÈµÄ½µÑ¹µçÔ´£¬Ò²¿ÉÓÃÓÚÒº¾§µçÊÓ¡¢DVD /À¶¹â²¥·ÅÆ÷¡¢Â¼Ïñ»ú¡¢»ú¶¥ºÐµÈÏû·Ñµç×ÓÉ豸¡£
BD9B304QWZÓ¦Óõç·
£¼Õë¶ÔHVDC¹©µçµÄµçÔ´IC£¾
Õë¶ÔHVDC¹©µç·½·¨(¢Ú)£¬ÐÂÆÏÌÑ8883¹ÙÍøAMGÌṩ80V/3A DC/DC ת»»Æ÷¡°BD9G341AEFJ-LB¡±µÈ²úÆ·¡£
¡°BD9G341AEFJ-LB¡±µÄÖ÷ÒªÌØµãÈçÏ£º
?ÍÆ¼öÊäÈëµçѹ£º12~76V
?»ù×¼µçѹ¾«¶È£º¡À1.5£¥£¨25¡æ£©
?¿ª¹ØÆµÂÊ£º50kÖÁ750kHz£¨µä·¶Öµ£©
?×î´óÊä³öµçÁ÷£º3.0A£¨Max£©
?×îС¹ýµçÁ÷¼ì²âãÐÖµ£º3.5A£¨min£©@Tj=150¡æ
?×î´ó½áµãζȣºTjmax=150¡æ
BD9G341AEFJ-LBÄÚÖÃ80V/3.5A/150m¦¸µÄNch¹¦ÂÊMOSFET£¬½ÓÄɵçÁ÷ģʽ¿ØÖÆ£¬ÊµÏÖÁ˸ßËÙ˲̬ÏìÓ¦ºÍ¼ò±ãµÄÏàλÅâ³¥É趨¡£³ýÁËÄÚÖùýÁ÷±£»¤¡¢Ç·Ñ¹Ëø¶¨¡¢¹ýÈȱ£»¤¡¢¹ýѹ±£»¤µÈÕâЩ»ù±¾±£»¤¹¦Ð§Í⣬»¹ÄÜʵÏÖÁË0?A´ý»úµçÁ÷ºÍÈíÆô¶¯¡£Ïà±ÈÒ»°ã²úÆ·£¬BD9G341AEFJ-LBʵÏÖÁËÖî¶à·½ÃæµÄÍ»ÆÆ£¬°üÀ¨¸ü¸ßµÄÊÂÇéµçѹ¡¢¸ü´óµÄÊÂÇéµçÁ÷ºÍ¸üСµÄ·â×°³ß´çµÈ¡£ÔÚ300kHz¡¢Vo=5V¡¢VCC=24VµÄÊÂÇéÌõ¼þÏ£¬µ±Êä³öµçÁ÷ÔÚ0~100mA¹æÄ£Ê±£¬BD9G341AEFJ-LBÏà½ÏÓÚÒ»°ã²úÆ·ÔÚÄÜЧÉÏÌá¸ßÁË8%-17.6%¡£
ΪÁËÂú×ãδÀ´°üÀ¨»ùÕ¾µçÔ´ÔÚÄÚµÄÅÓ´óµÄÊг¡ÐèÇó£¬ÐÂÆÏÌÑ8883¹ÙÍøAMG½«ÔÚDC/DCת»»Æ÷·½Ãæ¼ÌÐø¿ª·¢Ïà¹Ø²úÆ·¡£
£¼Îª5G»ùÕ¾´øÀ´¸ïеÄSiC¹¦ÂÊÔªÆ÷¼þ£¾
ËäÈ»£¬³ýÁ˹©µç·½·¨±¬·¢±ä¸ï£¬5G»ùÕ¾½¨Éè¶ÔÆ÷¼þÖÊÁÏÀå¸ïÒ²ÓÐÍÆÐж¯Óá£ÓÉÓÚ¸ßÆµ¡¢¸ßΡ¢¿¹·øÉäÒÔ¼°´ó¹¦ÂʵÈÌôÕ½£¬ÒÔSiC¹¦ÂÊÔªÆ÷¼þ£¨¢Û£©ÎªÊ׵ĸßÐÔÄܰ뵼ÌåÖÊÁϽ«ÔÚ5G½¨ÉèÉÏÓÐÖØÒªÓ¦Óá£ÎªÁË×ÊÖú¿Í»§¸üºÃµØÓ¦¶Ô5G»ùÕ¾½¨ÉèÀú³ÌÖеÄÉÏÊöÌôÕ½£¬ÐÂÆÏÌÑ8883¹ÙÍøAMGÒÑ¾ÍÆ³öµÚÈý´ú̼»¯¹èÖÊÁϵÄÐ¤ÌØ»ùÊÆÀݶþ¼«¹Ü£¨SiC-SBD£©¡£
ÐÂÆÏÌÑ8883¹ÙÍøAMGSiC-SBD²úÆ·¿ª·¢Ê¾Òâͼ
Ïà½ÏÓÚµÚ¶þ´ú²úÆ·£¬µÚÈý´úÓµÓиüºÃµÄÕýÏòµçѹ(VF)ÌØÐԺ͸üºÃµÄ·´ÏòµçÁ÷(IR)ÌØÐÔ¡£
ÕýÏòµçѹ(VF)ÌØÐÔ
·´ÏòµçÁ÷(IR)ÌØÐÔ
µÃÒæÓÚÐÂÆÏÌÑ8883¹ÙÍøAMGµÚÈý´úSiC-SBD¸üºÃµÄVFºÍIRÌØÐÔ£¬¿Í»§ÔÚÉè¼Æ²úÆ·µÄÀú³ÌÖпÉÒÔ½ÓÄɸüµÍµÄ¿ªÆôµçѹ£¬ÔÚÕýÏòÇÐΪ·´Ïòʱ£¬ÎªÁ˽µµÍ¹¦ºÄ£¬Æ÷¼þ½«±¬·¢¸üСµÄ˲̬µçÁ÷¡£¿ÉÊÇ£¬ÒòΪSiC-SBDµÄ˲̬µçÁ÷ʵÖÊÉϲ»ËæÕýÏòµçÁ÷±ä¸ï£¬»Ö¸´Ê±±¬·¢µÄ»Ö¸´µçÁ÷ºÜС£¬½µµÍÁËϵͳÔëÉù¡£
Ïà±ÈÒ»°ã²úÆ·£¬µÚÈý´ú 650V SiC-SBDÌåÏÖ³ö¸üºÃµÄ²úÆ·ÐÔÄÜ£¬°üÀ¨ÊµÏÖ¸ü¸ßµÄIFSM£¬¸üµÍµÄ©µçÁ÷£¬ÒÔ¼°½øÒ»²½½µµÍVFµÈ¡£
Ŀǰ£¬ÐÂÆÏÌÑ8883¹ÙÍøAMGÔÚ650V SiC-SBD·½ÃæÓµÓи»ºñµÄ²úÆ·×éºÏ¡£
ÐÂÆÏÌÑ8883¹ÙÍøAMG650V SiC-SBD²úÆ·ÕóÈÝ
Ãæ¶Ô5G»ùÕ¾½¨Éè¶àÑù»¯µÄÐèÇóºÍÅÓ´óµÄÓ¦ÓÃÇé¿öËù´øÀ´µÄÌôÕ½£¬ÐÂÆÏÌÑ8883¹ÙÍøAMG½«Á¬Ðø°ü¹ÜËù¹©Ó¦µçÔ´Æ÷¼þµÄÎȶ¨ÐÔºÍÄ;ÃÐÔ£¬ÖúÁ¦ÔËÓªÉ̺ÍÉ豸³§ÉÌÍê³É¸ßËÙÎȶ¨µÄÍøÂçÁýÕÖ¡£ËäÈ»£¬³ýÁËÎÒÃÇÊìÖªµÄµçÔ´Æ÷¼þ£¬ÐÂÆÏÌÑ8883¹ÙÍøAMG»¹¹©Ó¦µçÁ÷´«¸ÐÆ÷ºÍLVDS½ÓÊÕÆ÷µÈÆäËûÔªÆ÷¼þ£¬Á˽â¸ü¶àÆ÷¼þ,ÇëµÇ¼ÐÂÆÏÌÑ8883¹ÙÍøAMG¹ÙÍø¼ì²ìÏêÇé¡£

½ò¹«Íø°²±¸ 12011102000866ºÅ